Насос CM 1-3 A-R-A-E-AVBE С-A-A-N

Описание
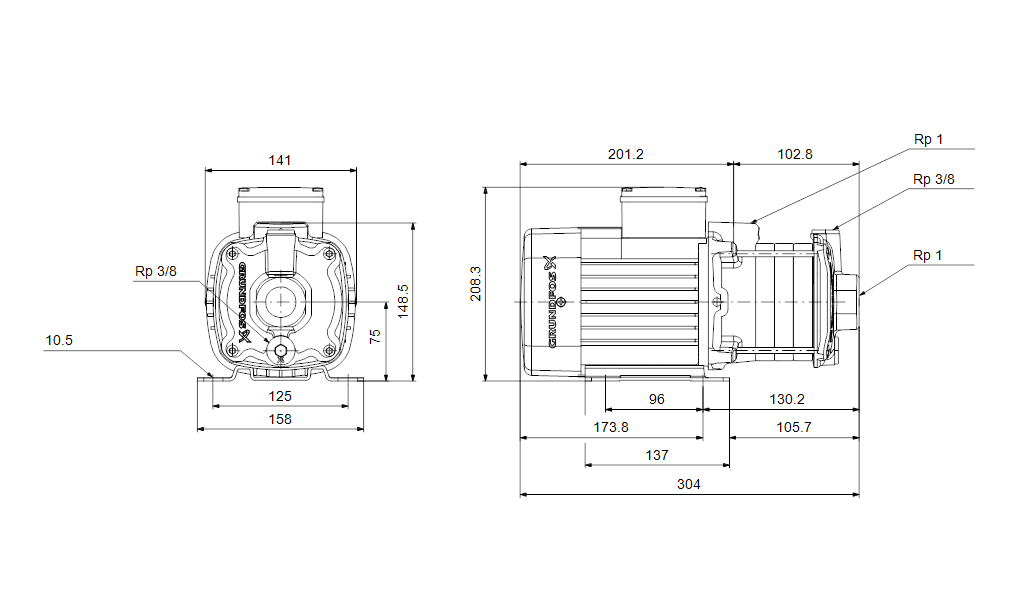
Компактный, надежный, горизонтальный, многоступенчатый, центробежный насос с односторонним всасыванием с осевым всасывающим и радиальным выпускным патрубком. Вал, рабочего колеса и камеры выполнены из нержавеющей стали. Впускные и выпускные части выполнены из чугуна. Механическим уплотнением вала является специально спроектированное, несбалансированное кольцевое уплотнение. Соединение с трубопроводами выполняется через внутреннюю трубную резьбу Витворта, Rp (ISO 7/1). Насос оснащен асинхронным 1-фазным электродвигателем на лапах, с воздушным охлаждением.
Система управления:
Frequency converter: Отсут.
Жидкость:
Рабочая жидкость: Вода
Диапазон температур жидкости: -20 .. 90 °C
Температура перекачиваемой жидкости: 20 °C
Плотность: 998.2 кг/м³
Технические данные:
Pump speed on which pump data are based: 2900 об/м
Rated flow: 1.7 м³/ч
Rated head: 18.29 м
Код торцевого уплотнения вала: AVBE
Сертификаты: CE,WRAS,ACS,EAC
Допуски по рабочим хар-кам: ISO9906:2012 3B
Материалы:
Корпус насоса: Чугун
Материал корпуса насоcа: EN-GJL-200
Корпус насоса: ASTM A48-25A
Рабочее колесо: Нержавеющая сталь
Рабочее колесо, EN/DIN: EN 1.4301
Рабочее колесо, AISI/ASTM: AISI 304
Монтаж:
Диапазон температуры окружающей среды: -20 .. 55 °C
Макс. рабочее давление: 10 бар
Макс. давление при заданной темп-ре: 10 бар / 40 °C
6 бар / 90 °C
Стандарт трубного присоединения: Rp
Размер всасывающего патрубка: 1 inch
Размер напорного патрубка: 1 inch
Outlet position: 12
Данные электрооборудования:
Стандарт электродвигателя: IEC
Frame size: 71A
Rated power - P2: 0.3 кВт
Частота питающей сети: 50 Hz
Suitable for 50/60 Hz: Нет
Фаза: 1
Номинальное напряжение: 220-240 V В
Сервис-фактор электродвигателя: 1.00
Диапазон тока насоса: 1.8-2.4 A
Пусковой ток: 340-340 %
Номинальная частота вращения: 2800-2830 об/м
Степень защиты (IEC 34-5): IP55
Класс изоляции (IEC 85): F
Built-in motor protection: PTO
Cable included (Yes/No): N
Другое:
Положение клеммной коробки: 12
Минимальный индекс эффективности, MEI ≥: 0.7
Вес(Нетто): 11.3 кг
Вес(Брутто): 13.8 кг
Cтрана происхождения: HU
ТН ВЭД ЕАЭС Код: 8413707500
Характеристики
- Артикул GRN96806792
- Тип насоса Повышения давления
- Производитель Grundfos
- Максимальный расход, м³/ч 2,5
- Максимальный напор, м 24,7
- Торцевые уплотнения AVBE
- Гарантия, г 2
Отзывы и оценки