Насос CM-А 5-2 A-R-A-E-AVBV 0,46 kW 3x400Hz

Описание
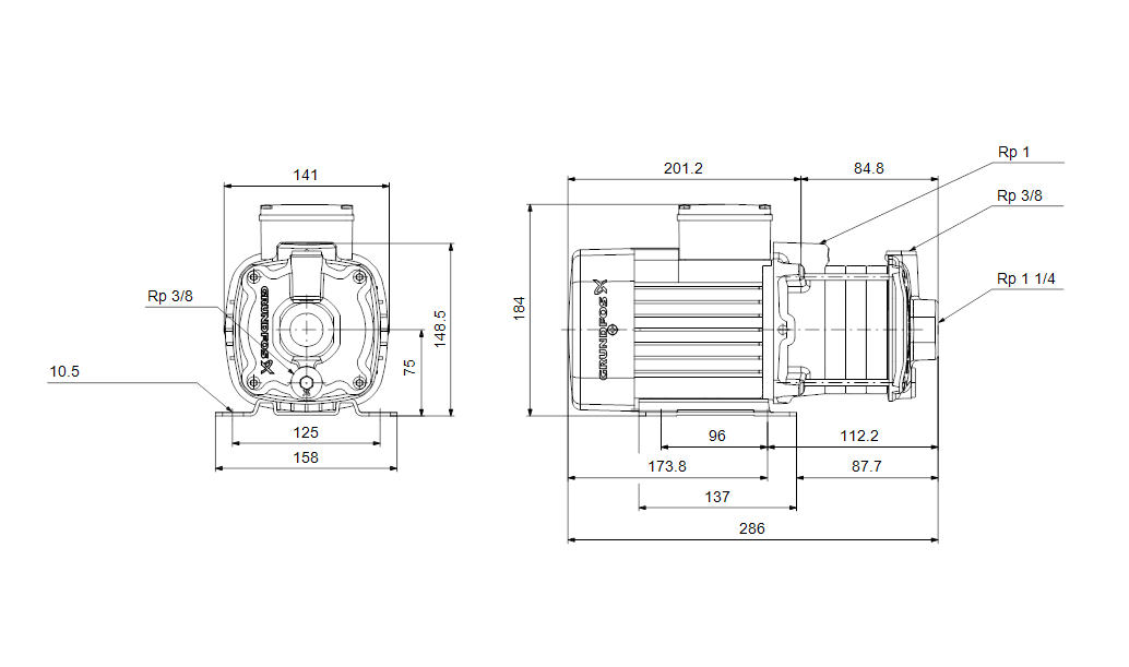
Компактный, надежный, горизонтальный, многоступенчатый, центробежный насос с односторонним всасыванием с осевым всасывающим и радиальным выпускным патрубком. Вал, рабочего колеса и камеры выполнены из нержавеющей стали. Впускные и выпускные части выполнены из чугуна. Механическим уплотнением вала является специально спроектированное, несбалансированное кольцевое уплотнение. Соединение с трубопроводами выполняется через внутреннюю трубную резьбу Витворта, Rp (ISO 7/1). Насос оснащен асинхронным 3-фазным электродвигателем на лапах, с воздушным охлаждением.
Система управления:
Frequency converter: Отсут.
Жидкость:
Рабочая жидкость: Вода
Диапазон температур жидкости: -20 .. 90 °C
Температура перекачиваемой жидкости: 20 °C
Плотность: 998.2 кг/м³
Технические данные:
Pump speed on which pump data are based: 2900 об/м
Rated flow: 4.7 м³/ч
Rated head: 14.83 м
Код торцевого уплотнения вала: AVBV
Сертификаты: CE,WRAS,ACS,EAC
Допуски по рабочим хар-кам: ISO9906:2012 3B
Материалы:
Корпус насоса: Чугун
Материал корпуса насоcа: EN-GJL-200
Корпус насоса: ASTM A48-25A
Рабочее колесо: Нержавеющая сталь
Рабочее колесо, EN/DIN: EN 1.4301
Рабочее колесо, AISI/ASTM: AISI 304
Монтаж:
Диапазон температуры окружающей среды: -20 .. 55 °C
Макс. рабочее давление: 10 бар
Макс. давление при заданной темп-ре: 10 бар / 40 °C
6 бар / 90 °C
Стандарт трубного присоединения: Rp
Размер всасывающего патрубка: 1 1/4 inch
Размер напорного патрубка: 1 inch
Outlet position: 12
Данные электрооборудования:
Стандарт электродвигателя: IEC
Frame size: 71A
Rated power - P2: 0.46 кВт
Частота питающей сети: 50 Hz
Suitable for 50/60 Hz: Нет
Фаза: 3
Номинальное напряжение: 220-240D/380-415Y В
Сервис-фактор электродвигателя: 1.00
Диапазон тока насоса: 2,0-2,2/1,0-1,2 A
Пусковой ток: 490-530 %
Номинальная частота вращения: 2770-2820 об/м
Степень защиты (IEC 34-5): IP55
Класс изоляции (IEC 85): F
Built-in motor protection: НЕТ
Cable included (Yes/No): N
Другое:
Положение клеммной коробки: 12
Минимальный индекс эффективности, MEI ≥: 0.7
Вес(Нетто): 10.9 кг
Вес(Брутто): 13.4 кг
Cтрана происхождения: HU
ТН ВЭД ЕАЭС Код: 8413707500
Характеристики
- Артикул GRN97516533
- Тип насоса Повышения давления
- Производитель Grundfos
- Максимальный расход, м³/ч 6,2
- Максимальный напор, м 18,0
- Торцевые уплотнения AVBV
- Гарантия, г 2
Отзывы и оценки