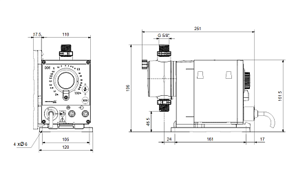
Дозировочный насос DDE 6-10 P-PP/E/C-X-31U2U2FG 1x110-220V 50-60Hz IP65

Описание
Технические данные:
Расшифровка: DDE 6-10 P-PP/E/C-X-31U2U2FG
Макс. производительность: 6 л/ч
Минимальный расход: 6.0 ml/h
Глубина регулировки: 1:1000
Данные на фирменной табличке: CE,CSA-US,EAC,RCM
Тип клапана: Стандартный
макс. вязкость при 100% производи-ти: 50 mPas
Макс. вязкость с slow mode 50%: N/A mPas
Макс. вязкость с slow mode 25%: N/A mPas
Точность дозирования: 5 %
Материалы:
Дозирующая головка: PP (полипропилен)
Шарик клапана: Керамика
Прокладка: EPDM
Монтаж:
Диапазон температуры окружающей среды: 0 .. 45 °C
Макс. рабочее давление: 10 бар
Монтажный набор: НЕТ
Тип установки: Без монтажного набора
Вход насоса: 4/6, 6/9, 6/12, 9/12 mm
Выход насоса: 4/6, 6/9, 6/12, 9/12 mm
Макс. высота всасывания во время работы: 6 м
Макс. высота всасывания при заливке: 2 м
Жидкость:
Рабочая жидкость: Вода
Диапазон температур жидкости: -10 .. 45 °C
Температура перекачиваемой жидкости: 20 °C
Плотность: 998.2 кг/м³
Данные электрооборудования:
P1 максимальное: 19 Вт
Частота питающей сети: 50 / 60 Hz
Номинальное напряжение: 1 x 100-240 В
Степень защиты (IEC 34-5): IP65 / NEMA 4X
Длина кабеля: 1.5 м
Тип кабельной вилки: EU
Пусковой ток: 25A при 230В для 2мсек
Система управления:
Вариант управления: P
Контроль уровня: YES
Импульсное управление: ДА
Внешний стоп: ДА
Аварийное реле: NO
Другое:
Масса нетто: 2 кг
Масса брутто: 3 кг
Finnish LVI No.: 4981109
Cтрана происхождения: FR
ТН ВЭД ЕАЭС Код: 8413504000
Характеристики
- Артикул GRN97720949
- Тип насоса Системы дозирования и дезинфекции
- Производитель Grundfos
- Максимальный расход, м³/ч 0,006
- Максимальный напор, м 102,0
- Гарантия, г 2
Отзывы и оценки